Наши консультанты всегда рады Вам помочь
Каталог
Корзина
0
Профиль
Бренды
58
Избранное
0
Сравнить
0
8 (925) 252-80-28
8 (495) 226-15-53
г. Москва, Каширское шоссе, д.19, к. 1, Вход №3, павильон 0-D6
10:00-19:00 Пн.-Вc.
Главная
Каталог
Избранное
Профиль
0

Интернет-магазин мировых брендов исключительно оригинальная продукция!

8 (800) 775-11-59
Дополнительный телефон:
8 (925) 252-80-28
8 (495) 226-15-53

Время работы:
10:00-19:00 Пн.-Вc.

Адрес:
г. Москва, Каширское шоссе, д.19, к. 1, Вход №3, павильон 0-D6
Личный кабинет
0
0
0
Корзина
Реле контроля наличия, асимметрии фаз и контроля состояния контактора CZF-2B
Реле контроля наличия, асимметрии фаз и контроля состояния контактора CZF-2B
Реле контроля наличия, асимметрии фаз и контроля состояния контактора CZF-2B
Реле контроля наличия, асимметрии фаз и контроля состояния контактора CZF-2B
Реле контроля наличия, асимметрии фаз и контроля состояния контактора CZF-2B
Реле контроля наличия, асимметрии фаз и контроля состояния контактора CZF-2B
Арт.: EA04.003.002
Характеристики:
Производитель
ЕВРОАВТОМАТИКА F&F
Страна-изготовитель
Беларусь
шт.

Доставка курьером

Завтра или позже, от 500 руб.

Самовывоз

Через 2 дня или позже, бесплатно

Доставка CDEK

Через 1 дня, от 300 руб.

Купить в 1 клик
Реле контроля наличия, асимметрии фаз и контроля состояния контактора CZF-2BРеле контроля наличия, асимметрии фаз и контроля состояния контактора CZF-2B
Ваше Имя
Ваш телефон

Технические характеристики







Артикул

EA04.003.002





Код ETIM

EC001441





Напряжение питания, В/Гц

3x230+N / 50





Максимальный коммутируемый ток, А

8 AС-1 / 250 В





Максимальная мощность нагрузки

см. табл. 1





Максимальный ток катушки контактора, A

2





Контакт

1NO





Индикация

2 светодиода





Асимметрия напряжения, В

55





Гистерезис, В

5





Напряжение отключения при падении напряжения в фазах, В

160





Задержка отключения, с







- при падении напряжения

3...5





- при асимметрии

3...5





- при повреждении контактов контактора

3...5





Потребляемая мощность, не более, Вт

1,6





Диапазон рабочих температур,°С

-25...+50





Степень защиты

IР20





Коммутационная износостойкость, циклов

>100000





Степень загрязнения среды

2





Категория перенапряжения

III





Габариты (ШхВхГ), мм

35х90х65





Подключение

винтовые зажимы 2,5 мм²





Тип корпуса

2S





Масса, г

110





Монтаж

на DIN-рейке 35 мм





Момент затяжки винтового соединения, Нм

0,5













Отличительные особенности:


Асимметрия 55 В, задержка отключения 3-5 с, контакт 1NO.


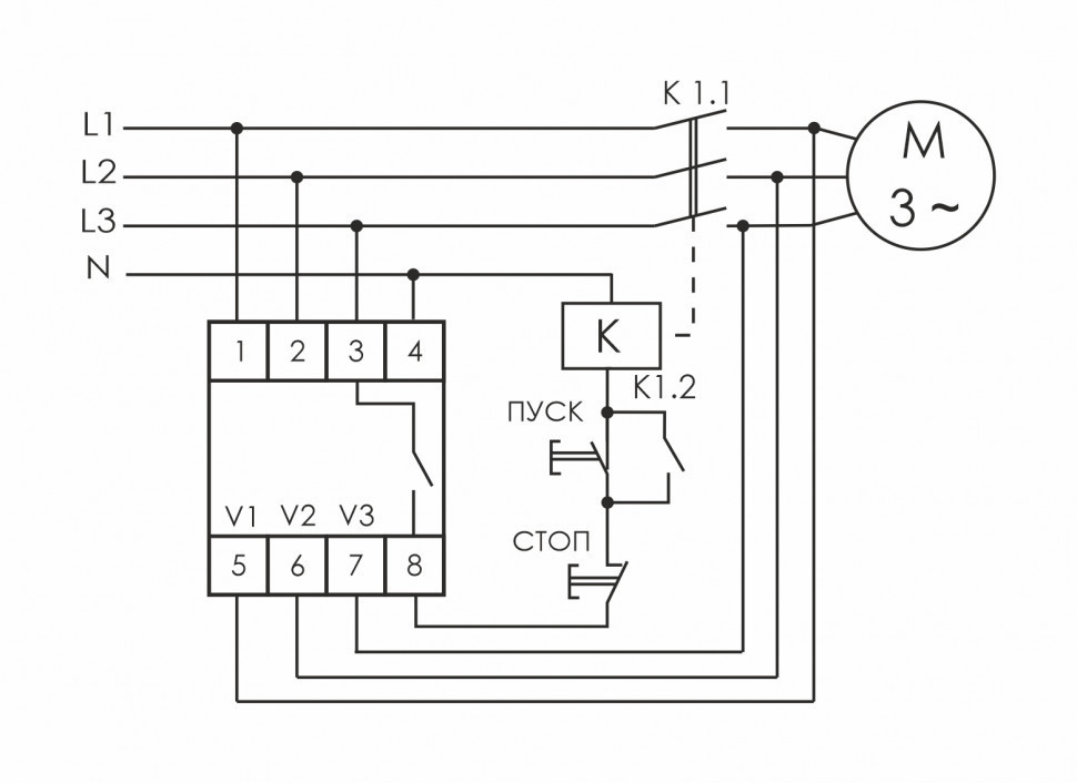
Назначение
Реле контроля фаз CZF-2B предназначено для защиты электродвигателей и электроустановок, подключенных к трёхфазной сети, в случаях:
1. Отсутствия напряжения хотя бы в одной из фаз.
2. Асимметрии напряжения.
3. Снижения напряжения менее 160 В.
4. Обрыва нулевого провода.
5. Повреждения контактов контактора.


Область применения
Применяется для защиты электродвигателей и электроустановок, питаемых от трехфазной сети.


Особенности
1. Контроль наличия фаз.
2. Контроль асимметрии между фазами.
3. Контроль нижнего значения напряжения.
4. Контроль обрыва нулевого провода.
5. Контроль состояния контактов контактора.


Принцип работы
Если напряжение в пределах нормы, контакты исполнительного реле 3-8 замкнуты и на катушку контактора управления электродвигателем подается напряжение, управляющее его включением. В случае одной из вышеперечисленных аварийных ситуаций контакты реле размыкаются и контактор отключается. В случаях 1 - 4 включение происходит автоматически после восстановления сетевого напряжения питания. В случае повреждения контактов контактора включение изделия происходит после полного снятия напряжения и последующей его подачи.

Характеристики:

Производитель
ЕВРОАВТОМАТИКА F&F
Страна-изготовитель
Беларусь
Loading...

Сделали заказ до 14:00? Доставим завтра!
Заказы, сделанные позже 14 часов принимаются на последующие дни.

Срочность доставки:
«Стандартная доставка» осуществляется на следующий день при заказе до 14.00. После 14.00 заказы принимаются на последующие дни. Информацию можно уточнить у продавцов в магазинах.

Никаких очередей и страха перепутать цифры! В любом магазине вы можете оплатить кредит, оформленный как в наших магазинах, так и в любом другом магазине или банке!*
  • Зарегистрируйтесь в зоне Сервис.
  • Получите распечатанную форму «Регистрационные данные шаблона платежа».
  • Вносите платежи по кредитам прямо на кассе!
«Регистрационные данные шаблона платежа» включают в себя основные реквизиты платежа, код требования и штрих-код, который считывается кассиром для проведения платежа.
Не нашли нужный товар?

Обратитесь к менеджеру и мы найдем то, что Вы искали или предложим аналог.

8 (495) 226-15-53 / +7 (985) 165-03-22
Товар добавлен в корзину