Наши консультанты всегда рады Вам помочь
Каталог
Корзина
0
Профиль
Бренды
58
Избранное
0
Сравнить
0
8 (925) 252-80-28
8 (495) 226-15-53
г. Москва, Каширское шоссе, д.19, к. 1, Вход №3, павильон 0-D6
10:00-19:00 Пн.-Вc.
Главная
Каталог
Избранное
Профиль
0

Интернет-магазин мировых брендов исключительно оригинальная продукция!

8 (800) 775-11-59
Дополнительный телефон:
8 (925) 252-80-28
8 (495) 226-15-53

Время работы:
10:00-19:00 Пн.-Вc.

Адрес:
г. Москва, Каширское шоссе, д.19, к. 1, Вход №3, павильон 0-D6
Личный кабинет
0
0
0
Корзина
Реле уровня жидкости PZ-832 (без датчиков)
Реле уровня жидкости PZ-832 (без датчиков)
Реле уровня жидкости PZ-832 (без датчиков)
Реле уровня жидкости PZ-832 (без датчиков)
Реле уровня жидкости PZ-832 (без датчиков)
Реле уровня жидкости PZ-832 (без датчиков)
Реле уровня жидкости PZ-832 (без датчиков)
Реле уровня жидкости PZ-832 (без датчиков)
Реле уровня жидкости PZ-832 (без датчиков)
Реле уровня жидкости PZ-832 (без датчиков)
Арт.: EA08.001.012
Характеристики:
Производитель
ЕВРОАВТОМАТИКА F&F
Страна-изготовитель
Беларусь
шт.

Доставка курьером

Завтра или позже, от 500 руб.

Самовывоз

Через 2 дня или позже, бесплатно

Доставка CDEK

Через 1 дня, от 300 руб.

Купить в 1 клик
Реле уровня жидкости PZ-832 (без датчиков)Реле уровня жидкости PZ-832 (без датчиков)
Ваше Имя
Ваш телефон

Технические характеристики

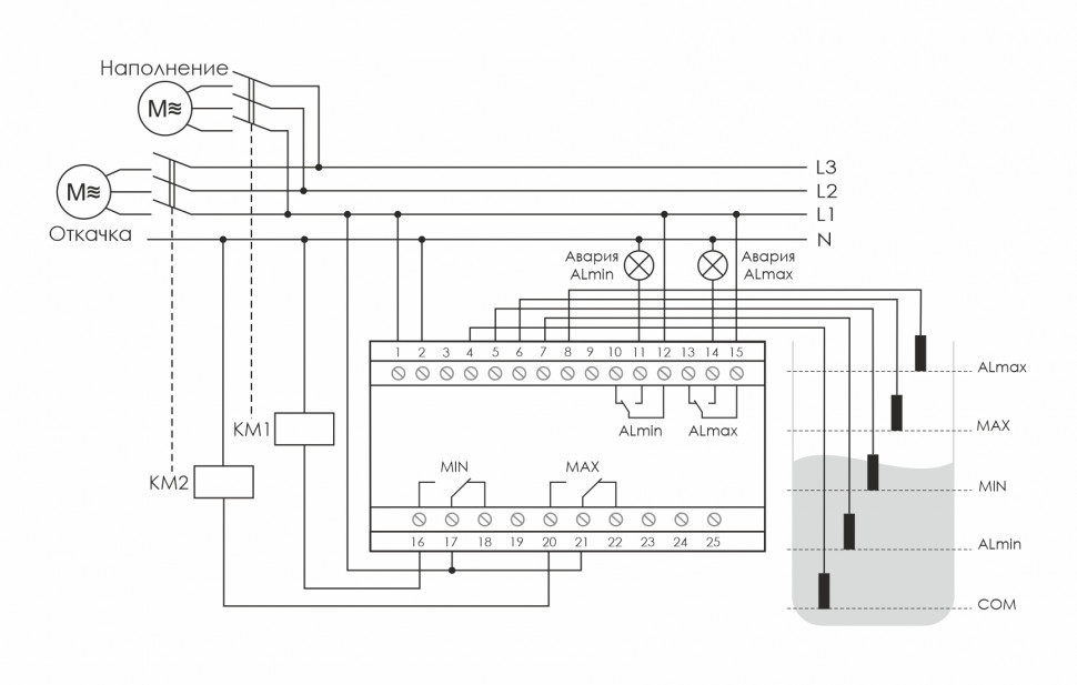
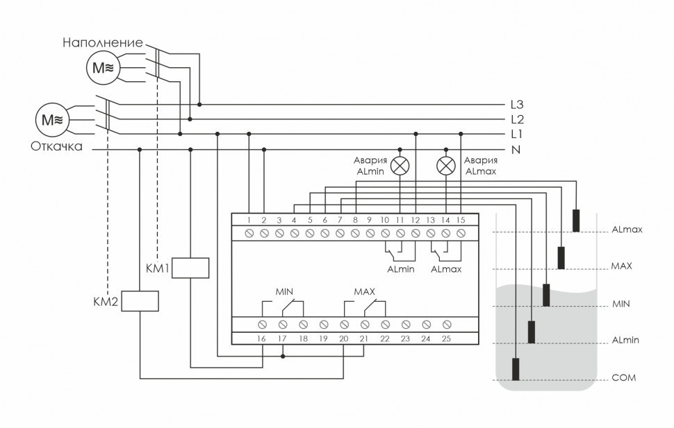
Артикул EA08.001.012 Код ETIM EC001447 Напряжение питания, В 230 АС Максимальный коммутируемый ток, А -аварийный уровень 2x8 AC-1 / 250 В -контрольный уровень 2x16 AC-1 / 250 В Контакт 4NO/NC Максимальный ток катушки контактора, А -аварийный уровень 2x2 AC-15 / 250 В -контрольный уровень 2x3 AC-15 / 250 В Максимальная мощность нагрузки см. табл. 1 Количество контролируемых уровней 4 Комплектность без датчиков Напряжение питания датчика, В <6 AC Ток потребления датчика, мА < 2 Диапазон регулируемого сопротивления, кОм 1…100 Задержка включения, с < 2 Коммутационная износостойкость, циклов >100000 Потребляемая мощность, Вт 1 Степень защиты IP20 Степень загрязнения среды 2 Категория перенапряжения III Диапазон рабочих температур, °С -25…+50 Подключение винтовые зажимы 2,5 мм2 Момент затяжки винтового соединения, Нм 0,5 Габариты (ШхВхГ), мм 87х90х65 Тип корпуса 5S Масса, кг 0,280 Монтаж на DIN- рейке 35 мм


Отличительные особенности:

Четыре контролируемых уровня. Напряжение питания 230 В, 50 Гц. Контакт 4NO/NC, 2х8 А (аварийный уровень), 2х16 А (контрольный уровень). Без зондов.

Назначение
Реле контроля уровня PZ-832 предназначено для контроля и поддержания заданного уровня токопроводящих жидкостей в резервуарах, бассейнах, водонапорных башнях и т.п. и управления электродвигателями насосных установок. Для контроля уровня р

Характеристики:

Производитель
ЕВРОАВТОМАТИКА F&F
Страна-изготовитель
Беларусь
Loading...

Сделали заказ до 14:00? Доставим завтра!
Заказы, сделанные позже 14 часов принимаются на последующие дни.

Срочность доставки:
«Стандартная доставка» осуществляется на следующий день при заказе до 14.00. После 14.00 заказы принимаются на последующие дни. Информацию можно уточнить у продавцов в магазинах.

Никаких очередей и страха перепутать цифры! В любом магазине вы можете оплатить кредит, оформленный как в наших магазинах, так и в любом другом магазине или банке!*
  • Зарегистрируйтесь в зоне Сервис.
  • Получите распечатанную форму «Регистрационные данные шаблона платежа».
  • Вносите платежи по кредитам прямо на кассе!
«Регистрационные данные шаблона платежа» включают в себя основные реквизиты платежа, код требования и штрих-код, который считывается кассиром для проведения платежа.
Не нашли нужный товар?

Обратитесь к менеджеру и мы найдем то, что Вы искали или предложим аналог.

8 (495) 226-15-53 / +7 (985) 165-03-22
Товар добавлен в корзину