Наши консультанты всегда рады Вам помочь
Каталог
Корзина
0
Профиль
Бренды
58
Избранное
0
Сравнить
0
8 (925) 252-80-28
8 (495) 226-15-53
г. Москва, Каширское шоссе, д.19, к. 1, Вход №3, павильон 0-D6
10:00-19:00 Пн.-Вc.
Главная
Каталог
Избранное
Профиль
0

Интернет-магазин мировых брендов исключительно оригинальная продукция!

8 (800) 775-11-59
Дополнительный телефон:
8 (925) 252-80-28
8 (495) 226-15-53

Время работы:
10:00-19:00 Пн.-Вc.

Адрес:
г. Москва, Каширское шоссе, д.19, к. 1, Вход №3, павильон 0-D6
Личный кабинет
0
0
0
Корзина
Регулятор  освещённости (диммер) SCO-802
Регулятор  освещённости (диммер) SCO-802
Регулятор  освещённости (диммер) SCO-802
Регулятор  освещённости (диммер) SCO-802
Регулятор  освещённости (диммер) SCO-802
Регулятор  освещённости (диммер) SCO-802
Арт.: EA01.006.009
Характеристики:
Производитель
ЕВРОАВТОМАТИКА F&F
Страна-изготовитель
Беларусь
шт.

Доставка курьером

Завтра или позже, от 500 руб.

Самовывоз

Через 2 дня или позже, бесплатно

Доставка CDEK

Через 1 дня, от 300 руб.

Купить в 1 клик
Регулятор  освещённости (диммер) SCO-802Регулятор освещённости (диммер) SCO-802
Ваше Имя
Ваш телефон

Технические характеристики

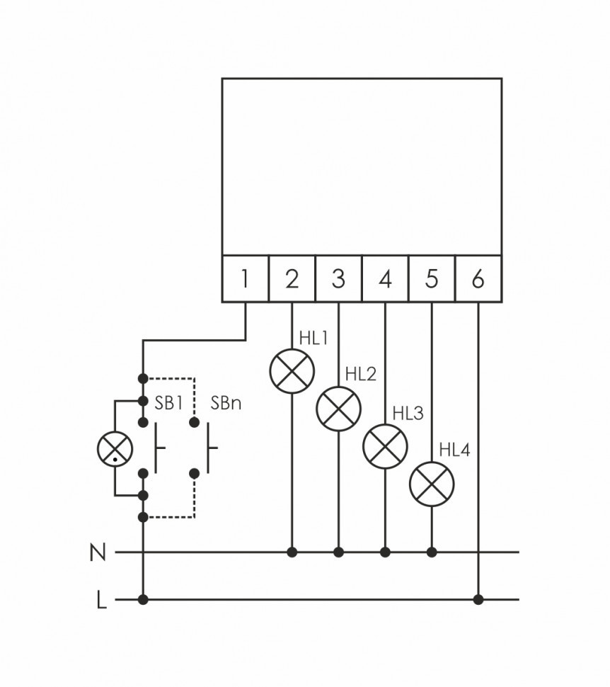
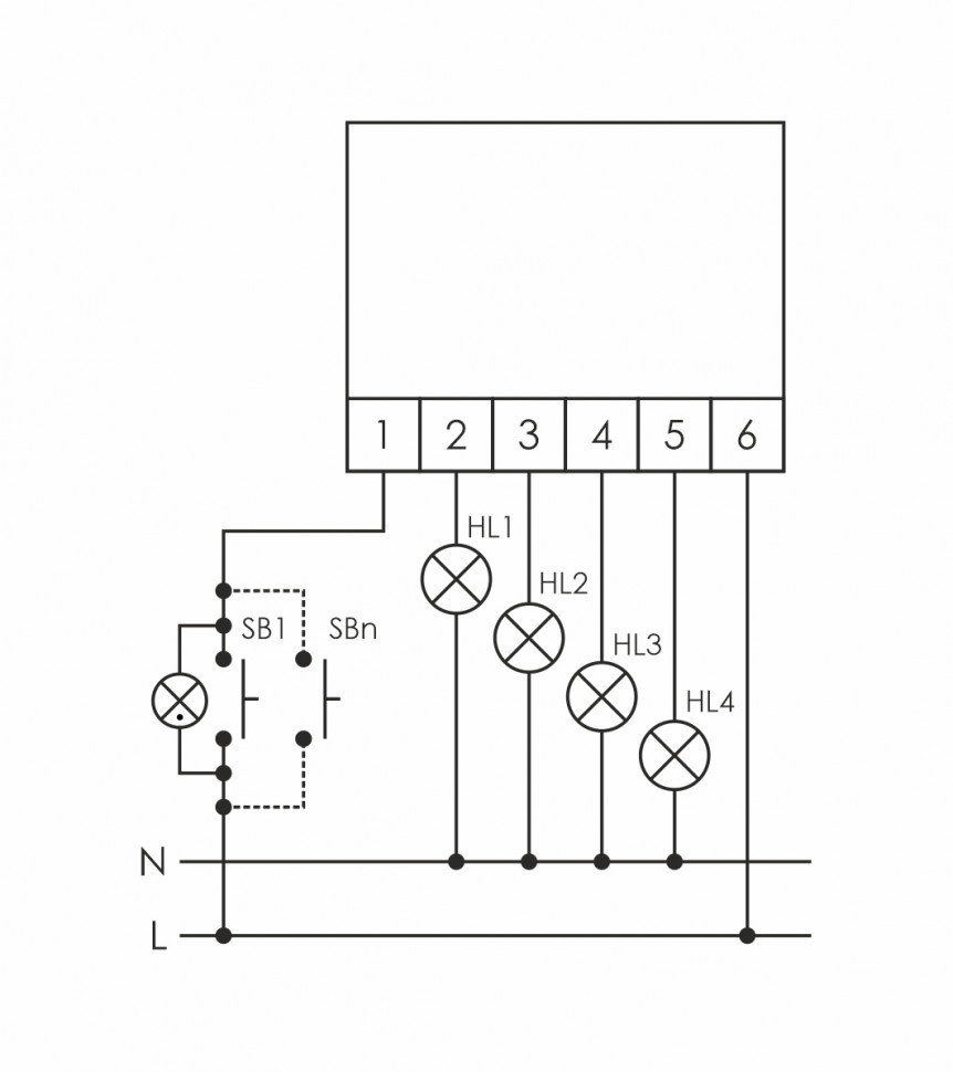
Артикул EA01.006.009 Код ETIM EC000025 Напряжение питания, В 230 АС Максимальный коммутируемый ток, А (AC-1) 1,3 Максимальная мощность нагрузки, Вт* 300 Напряжение питания, В / Гц 230 / 50 Потребляемая мощность, Вт 0, 1 Диапазон рабочих температур, °С -25...+50 Степень защиты IР20 Степень загрязнения среды 2 Категория перенапряжения III Габариты (ШхВхГ), мм 48х43х20 Подключение (винтовые зажимы) 2,5 мм² Тип корпуса PDTN Масса, г 35 Монтаж в монтажную коробку Момент затяжки винтового соединения, Нм 0,4


Возможно применение для управления галогенными лампами, запитанными через трансформаторный блок питания, либо электронный, предназначенный для работы с регуляторами освещённости.

Отличительные особенности:

Для галогенных и ламп накаливания. Функция памяти установленного уровня яркости свечения лампы. Напряжение управления 230 В AС, напряжения питания 230 В АС. Максимальная мощность нагрузки 300 Вт.

Назначение
Предназначен для включения/выключения, изменения яркости свечения галогенных и ламп накаливания, посредством управления выключателями кнопочного типа (без фиксации).

Область применения
Применяется на объектах где необходимо регулировать уровень яркости освещения.

Особенности
- для управления яркостью свечения ламп накаливания и галогенных ламп;
- сохранение в настройках регулятора освещенности установленного уровня яркости свечения источника света при выключении/включении;
- возможно подключение выключателей кнопочного типа с подсветкой;
- защита от перегрева.

Принцип работы
Включение/отключение установленного уровня яркости света произойдет после подачи электрического импульса на вход управления регулятора освещенности замыканием выключателя кнопочного типа (без фиксации). Нажатие и удерживание выключателя (более 1 с) изменяет уровень яркости света от минимального до максимального значения. Повторное нажатие и удерживание выключателя (более 1 с) изменяет яркость света от максимального до минимального значения. Выбранный уровень яркости сохраняется в памяти регулятора освещенности. После каждого включения регулятор возвращается к ранее установленной яркости свечения. При пропадании сети питания ранее установленная яркость свечения не сохраняется в памяти регулятора освещенности. С функцией температурной защиты. В случае перегрева, регулятор освещённости сигнализирует об этом трёх кратным миганием управляемой лампы, а затем отключается от сети питания. После охлаждения до температуры ниже критичной, регулятор можно включить повторно.

Характеристики:

Производитель
ЕВРОАВТОМАТИКА F&F
Страна-изготовитель
Беларусь
Loading...

Сделали заказ до 14:00? Доставим завтра!
Заказы, сделанные позже 14 часов принимаются на последующие дни.

Срочность доставки:
«Стандартная доставка» осуществляется на следующий день при заказе до 14.00. После 14.00 заказы принимаются на последующие дни. Информацию можно уточнить у продавцов в магазинах.

Никаких очередей и страха перепутать цифры! В любом магазине вы можете оплатить кредит, оформленный как в наших магазинах, так и в любом другом магазине или банке!*
  • Зарегистрируйтесь в зоне Сервис.
  • Получите распечатанную форму «Регистрационные данные шаблона платежа».
  • Вносите платежи по кредитам прямо на кассе!
«Регистрационные данные шаблона платежа» включают в себя основные реквизиты платежа, код требования и штрих-код, который считывается кассиром для проведения платежа.
Не нашли нужный товар?

Обратитесь к менеджеру и мы найдем то, что Вы искали или предложим аналог.

8 (495) 226-15-53 / +7 (985) 165-03-22
Товар добавлен в корзину