Наши консультанты всегда рады Вам помочь
Каталог
Корзина
0
Профиль
Бренды
60
Избранное
0
Сравнить
0
8 (925) 252-80-28
8 (495) 226-15-53
г. Москва, Каширское шоссе, д.19, к. 1, Вход №3, павильон 0-D6
10:00-19:00 Пн.-Вc.
Главная
Каталог
Избранное
Профиль
0

Интернет-магазин мировых брендов исключительно оригинальная продукция!

8 (800) 775-11-59
Дополнительный телефон:
8 (925) 252-80-28
8 (495) 226-15-53

Время работы:
10:00-19:00 Пн.-Вc.

Адрес:
г. Москва, Каширское шоссе, д.19, к. 1, Вход №3, павильон 0-D6
Личный кабинет
0
0
0
Корзина
Регулятор  освещённости (диммер) SCO-816A
Регулятор  освещённости (диммер) SCO-816A
Регулятор  освещённости (диммер) SCO-816A
Регулятор  освещённости (диммер) SCO-816A
Регулятор  освещённости (диммер) SCO-816A
Регулятор  освещённости (диммер) SCO-816A
Регулятор  освещённости (диммер) SCO-816A
Регулятор  освещённости (диммер) SCO-816A
Арт.: EA01.006.012
Характеристики:
Производитель
ЕВРОАВТОМАТИКА F&F
Страна-изготовитель
Беларусь
шт.

Доставка курьером

Завтра или позже, от 500 руб.

Самовывоз

Через 2 дня или позже, бесплатно

Доставка CDEK

Через 1 дня, от 300 руб.

Купить в 1 клик
Регулятор  освещённости (диммер) SCO-816AРегулятор освещённости (диммер) SCO-816A
Ваше Имя
Ваш телефон

Технические характеристики

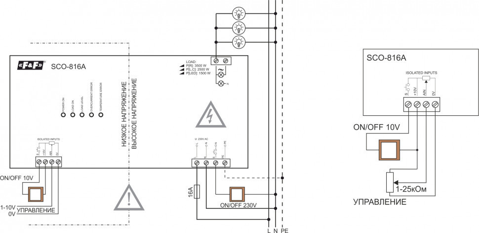
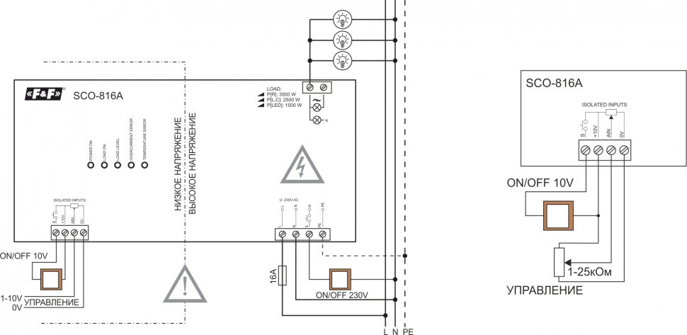
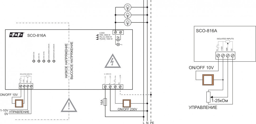
Артикул EA01.006.012 Код ETIM EC000025 Напряжение питания, В 230 АС Максимальный коммутируемый ток, А (AC-1) 16 Мощность нагрузки, Вт - резистивная 3600 - емкостная, индуктивная 2500 - LED 1500 Потребляемая мощность <5 Вт Напряжение входа управления 230 В AC / 9-12DC Напряжение управления 1-10 В DC Задержка диммирования от 0 до 100% 1 с Задержка диммирования от 100 до 0% 1 с Предельный ток 16 А Ограничение по току 20 А Плавкая вставка (предохранитель 6,3х32мм) Максимальная температура внутри корпуса 65 °С Температура подключения вентилятора 45 °С Диапазон рабочих температур от -0 до +40°С Степень защиты IP20 Коммутационная износостойкость 100000 циклов Степень загрязнения среды 2 Категория перенапряжения III Габариты (ШхВхГ), мм - без монтажного крепления 190х90х93 - с монтажным креплением 230х90х93 Подключение: - силовые цепи винтовые зажимы 4 мм² - цепи управления винтовые зажимы 2,5 мм² Монтаж на плоскость



Отличительные особенности:

Для всех типов ламп. Максимальная мощность 3500 Вт. С аналоговым входом 0-10В.

Назначение
Универсальный диммер SCO-816 предназначен для регулирования уровня освещенности диммируемых источников света высокой мощности, функционирующих под напряжением 230V

Характеристики:

Производитель
ЕВРОАВТОМАТИКА F&F
Страна-изготовитель
Беларусь
Loading...

Сделали заказ до 14:00? Доставим завтра!
Заказы, сделанные позже 14 часов принимаются на последующие дни.

Срочность доставки:
«Стандартная доставка» осуществляется на следующий день при заказе до 14.00. После 14.00 заказы принимаются на последующие дни. Информацию можно уточнить у продавцов в магазинах.

Никаких очередей и страха перепутать цифры! В любом магазине вы можете оплатить кредит, оформленный как в наших магазинах, так и в любом другом магазине или банке!*
  • Зарегистрируйтесь в зоне Сервис.
  • Получите распечатанную форму «Регистрационные данные шаблона платежа».
  • Вносите платежи по кредитам прямо на кассе!
«Регистрационные данные шаблона платежа» включают в себя основные реквизиты платежа, код требования и штрих-код, который считывается кассиром для проведения платежа.
Не нашли нужный товар?

Обратитесь к менеджеру и мы найдем то, что Вы искали или предложим аналог.

8 (495) 226-15-53 / +7 (985) 165-03-22
Товар добавлен в корзину