Наши консультанты всегда рады Вам помочь
Каталог
Корзина
0
Профиль
Бренды
58
Избранное
0
Сравнить
0
8 (925) 252-80-28
8 (495) 226-15-53
г. Москва, Каширское шоссе, д.19, к. 1, Вход №3, павильон 0-D6
10:00-19:00 Пн.-Вc.
Главная
Каталог
Избранное
Профиль
0

Интернет-магазин мировых брендов исключительно оригинальная продукция!

8 (800) 775-11-59
Дополнительный телефон:
8 (925) 252-80-28
8 (495) 226-15-53

Время работы:
10:00-19:00 Пн.-Вc.

Адрес:
г. Москва, Каширское шоссе, д.19, к. 1, Вход №3, павильон 0-D6
Личный кабинет
0
0
0
Корзина
Реле-преобразователь сигналов PSI-02-230
Реле-преобразователь сигналов PSI-02-230
Реле-преобразователь сигналов PSI-02-230
Реле-преобразователь сигналов PSI-02-230
Реле-преобразователь сигналов PSI-02-230
Реле-преобразователь сигналов PSI-02-230
Реле-преобразователь сигналов PSI-02-230
Реле-преобразователь сигналов PSI-02-230
Арт.: EA09.001.007
Характеристики:
Производитель
ЕВРОАВТОМАТИКА F&F
Страна-изготовитель
Беларусь
шт.

Доставка курьером

Завтра или позже, от 500 руб.

Самовывоз

Через 2 дня или позже, бесплатно

Доставка CDEK

Через 1 дня, от 300 руб.

Купить в 1 клик
Реле-преобразователь сигналов PSI-02-230Реле-преобразователь сигналов PSI-02-230
Ваше Имя
Ваш телефон

Технические характеристики







Артикул

EA09.001.009





Код ETIM

EC001437





Напряжение питания, В

230 АС





Максимальный коммутируемый ток, А (AC-1)

2x8





Тип контакта

2NO/NC





Напряжение сигнала управления

230 В AC





Длительность выходного импульса

1 с





Диапазон рабочих температур

от -25 до +50°С





Потребляемая мощность

1 Вт





Подключение

винтовые зажимы 2,5 мм2





Момент затяжки винтового соединения

0,4 Нм





Габариты (ШхВхГ)

18х90х65 мм





Тип корпуса

1S





Степень защиты

IP 20





Монтаж

на DIN-рейку









Отличительные особенности:


Напряжение 230В. 8А, контакт 2NO/NC. Длительность импульса 1 с. На DIN-рейку.


Назначение
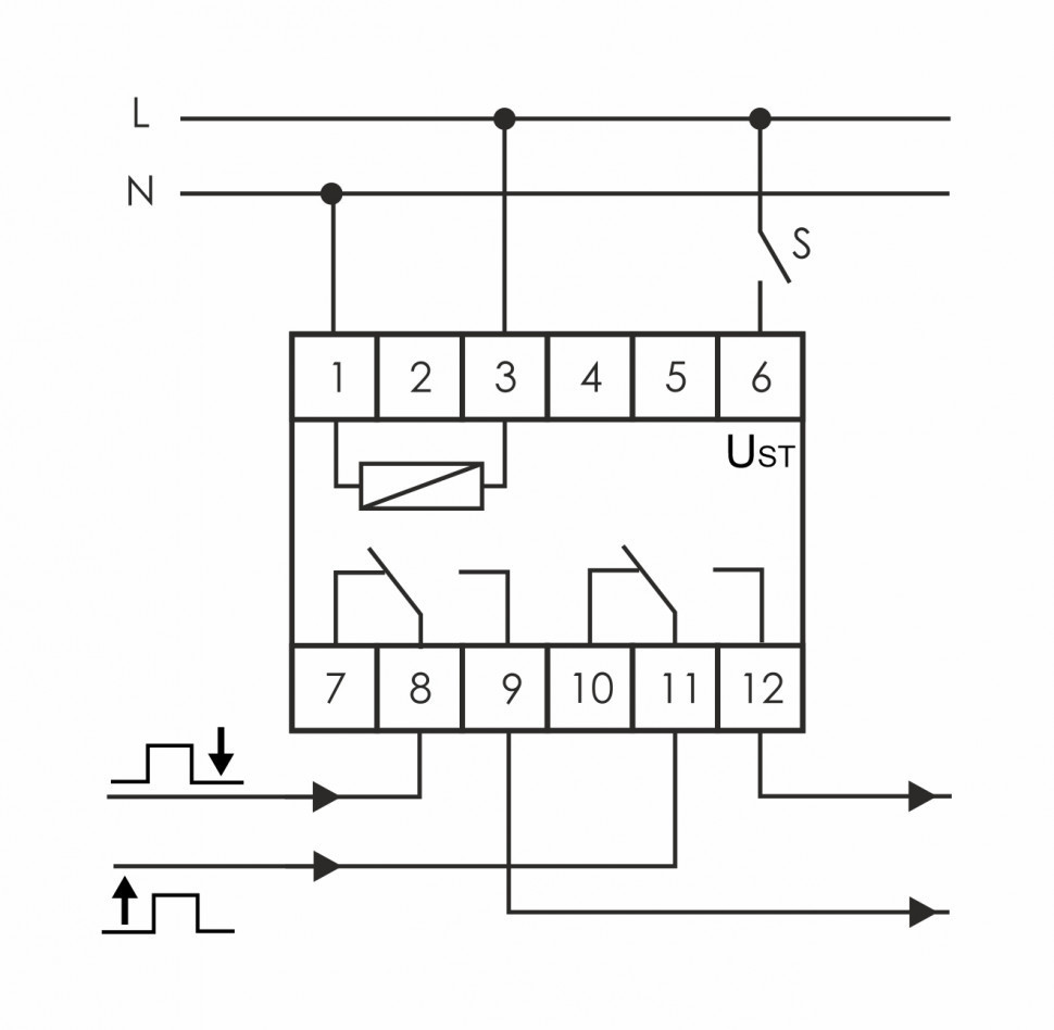
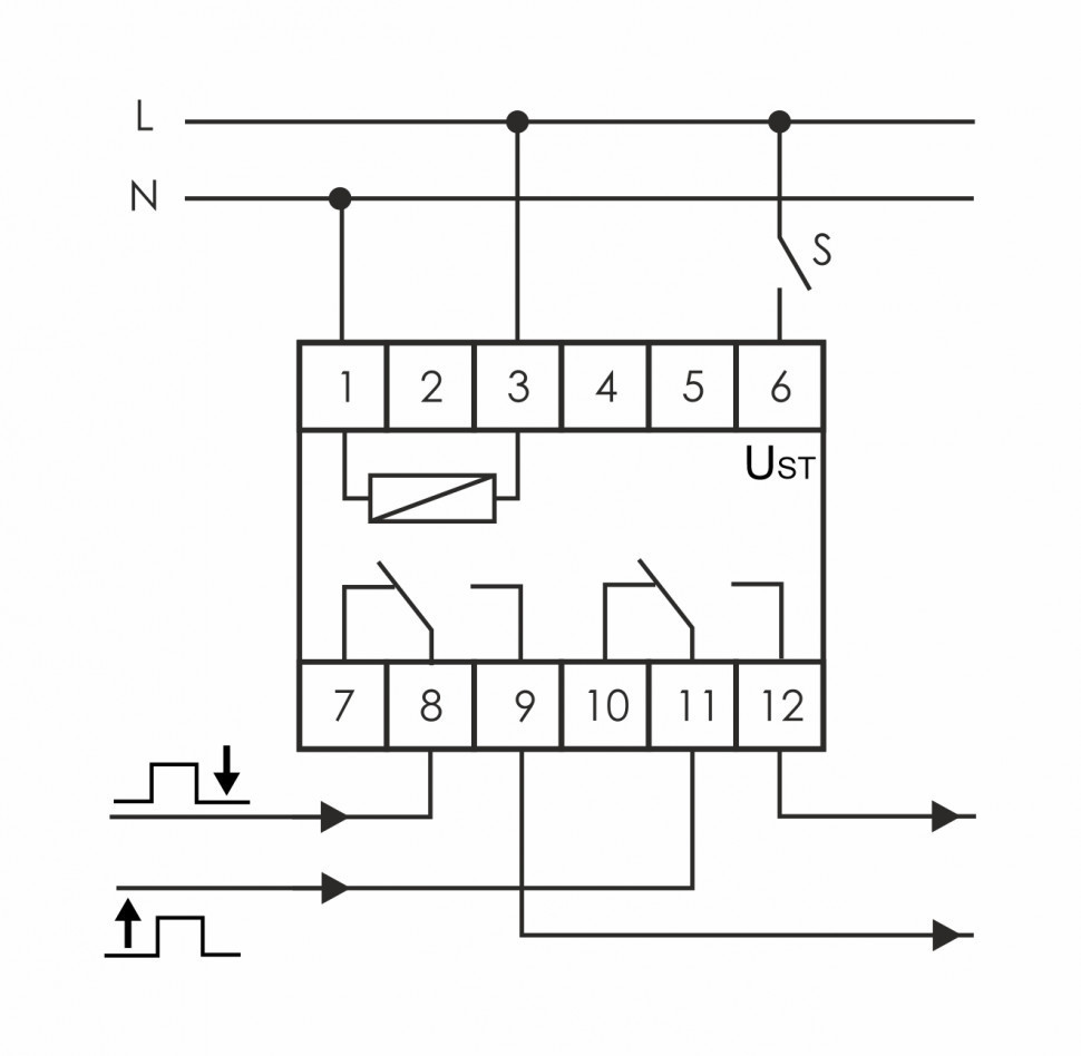
Для преобразования непрерывного электрического напряжения в одиночные импульсы, управляющие исполнительными устройствами различных систем автоматики.


Область применения
Применяется в системах автоматики, АВР, «Умный дом» и др.


Принцип работы
Реле, после принятия управляющего сигнала на входе Ust (по фронту), генерирует импульс на выходе 12 (контакт 11-12 замыкается на 1 секунду). После снятия управляющего сигнала (по спаду) реле генерирует другой импульс на выходе 9 (контакт 8-9 замыкается на 1 секунду).

Характеристики:

Производитель
ЕВРОАВТОМАТИКА F&F
Страна-изготовитель
Беларусь
Loading...

Сделали заказ до 14:00? Доставим завтра!
Заказы, сделанные позже 14 часов принимаются на последующие дни.

Срочность доставки:
«Стандартная доставка» осуществляется на следующий день при заказе до 14.00. После 14.00 заказы принимаются на последующие дни. Информацию можно уточнить у продавцов в магазинах.

Никаких очередей и страха перепутать цифры! В любом магазине вы можете оплатить кредит, оформленный как в наших магазинах, так и в любом другом магазине или банке!*
  • Зарегистрируйтесь в зоне Сервис.
  • Получите распечатанную форму «Регистрационные данные шаблона платежа».
  • Вносите платежи по кредитам прямо на кассе!
«Регистрационные данные шаблона платежа» включают в себя основные реквизиты платежа, код требования и штрих-код, который считывается кассиром для проведения платежа.
Не нашли нужный товар?

Обратитесь к менеджеру и мы найдем то, что Вы искали или предложим аналог.

8 (495) 226-15-53 / +7 (985) 165-03-22
Товар добавлен в корзину